
環形光源產品特點:
1、提供0-90°等不同照射角度
2、高密度LED陣列,提供高亮度和高指向性的照明
3、突出物體的三維信息,有效解決對角照射陰影問題
4、表麵采用特殊散熱設計,延長光源使用壽命
環形光源應用領域:
1、PCB基板檢測,塑膠容器檢測
2、電子元件檢測,集成電路字符檢測
3、顯微鏡照明,通用外觀檢測
4、LC芯片外觀及字符檢測
5、各種外觀缺陷檢測
6、二維碼和字符讀取識別
性能參數:


產品係列選型表:


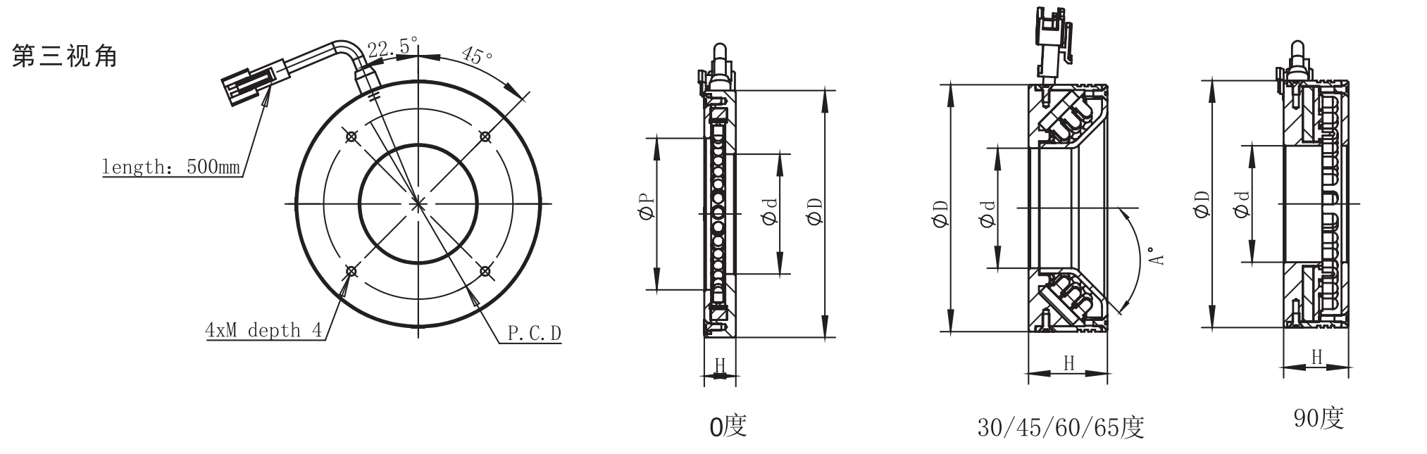
尺寸示意圖:

官方公眾號
官方抖音號Copyright © 2022 東莞康耐德智能控製有限公司版權所有.機器視覺係統 粵ICP備2022020204號-1 聯係我們 | 網站地圖