
產品特點:
·使用大功率高光效LED,亮度更高
·特殊的透鏡組合使光斑更均勻
·配套顯微鏡頭,遠心境頭使用
·外形設計為高效散熱裝置,極大提高光源使用壽命
應用領域:
·Mark點定位
·表麵裂縫檢測
·晶片及液晶玻璃底基對位與校正
·作為遠心鏡頭及顯微鏡的同軸照明光源
·微小元件檢測LCD麵板檢測
性能參數:


產品係列選型表:

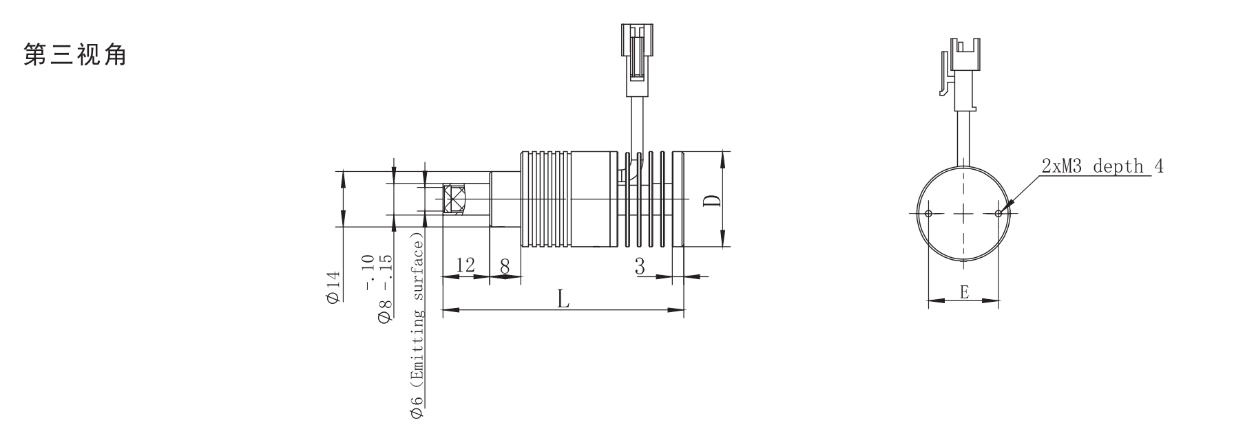
尺寸示意圖:

點光源應用實例:
手機屏幕mark點定位手機屏幕mark點是個較小的特征,使用點光源、配合同軸鏡頭,可將mark點的特征呈現出來。安裝方便,所占空間小。

照射原理:

官方公眾號
官方抖音號Copyright © 2022 東莞康耐德智能控製有限公司版權所有.機器視覺係統 粵ICP備2022020204號-1 聯係我們 | 網站地圖