
產品特點:
1、可根據被測物體要求,每個照射麵的照射角度和亮度可獨立調整。
2、通用性較好,適用於眾多場合,大幅麵照明首選。
應用領域:
1、PCB基板檢測
2、電子元件檢測
3、焊錫檢測
4、包裝破損檢測、標簽檢測、條碼識別
5、球形物體檢測
6、產品定位識別
性能參數:


產品係列選型表:

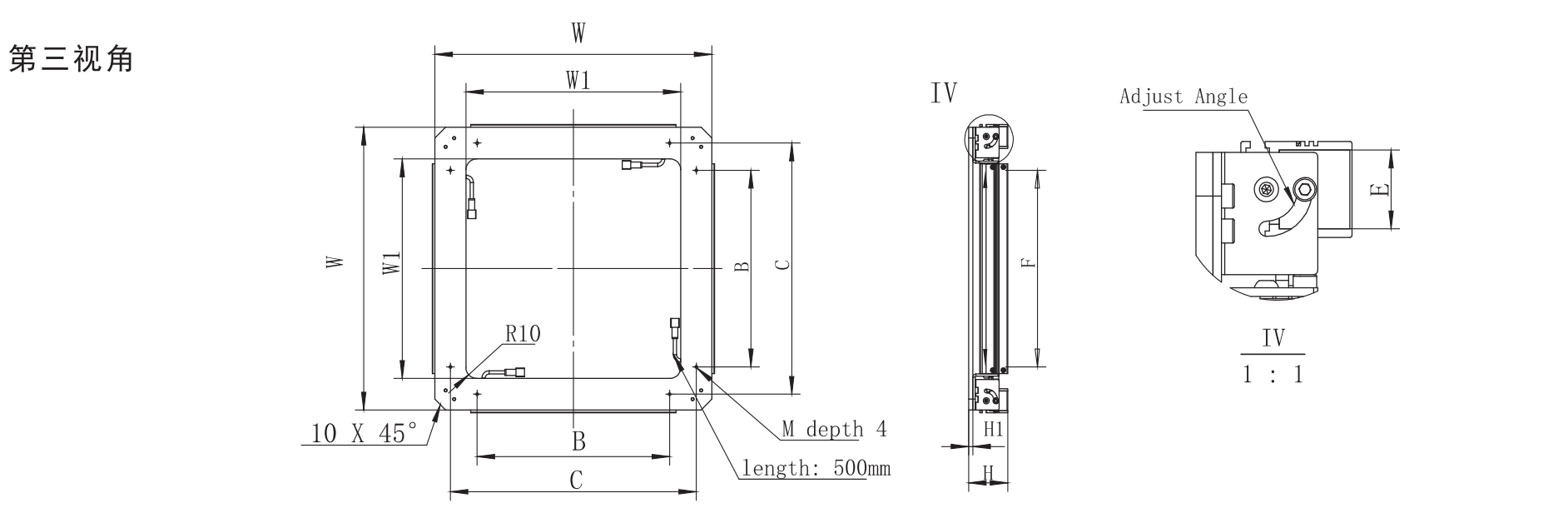
尺寸示意圖:

四麵可調光源應用實例:
鍵(jian)盤(pan)字(zi)符(fu)識(shi)別(bie),使(shi)用(yong)四(si)麵(mian)可(ke)調(tiao)光(guang)源(yuan),自(zi)由(you)的(de)調(tiao)整(zheng)各(ge)個(ge)光(guang)源(yuan)的(de)角(jiao)度(du),使(shi)產(chan)品(pin)的(de)表(biao)麵(mian)亮(liang)度(du)均(jun)勻(yun),字(zi)符(fu)清(qing)晰(xi)。可(ke)檢(jian)測(ce)鍵(jian)盤(pan)字(zi)符(fu)漏(lou)印(yin)歪(wai)斜(xie)等(deng)缺(que)陷(xian)。

照射原理:

官方公眾號
官方抖音號Copyright © 2022 東莞康耐德智能控製有限公司版權所有.機器視覺係統 粵ICP備2022020204號-1 聯係我們 | 網站地圖